Extret de

http://www.pololu.com/

Overview

These tiny, high-quality motors are intended for use at 6 V. In general, these kinds of motors can run at voltages above and below this nominal voltage, so they should comfortably operate in the 3 – 9 V range. Lower voltages might not be practical, and higher voltages could start negatively affecting the life of the motor. All of the micro metal gearmotors have the same physical dimensions, but they come in a wide range of gear ratios—from 5:1 up to 298:1—and let you choose between two different motors: high-power (HP) and standard. This means you can choose the version that has the ideal blend of speed, torque, and current-draw for your particular application. Please see the table at the bottom of this page for detailed specifications, or look at micro metal gearmotor comparison table.

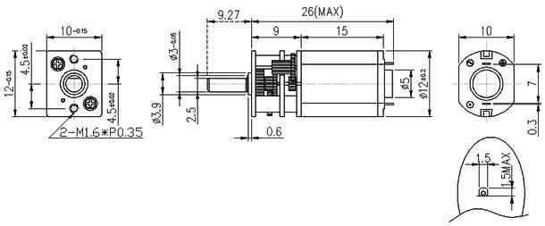
Gearmotor Dimensions

Micro metal gearmotor dimensions (units in mm).

This motor has a long (0.365" or 9.27 mm), D-shaped metal output shaft, and the brass faceplate has two mounting holes threaded for M1.6 screws (1.6 mm diameter, 0.35 mm thread pitch). It weighs approximately 0.35 oz (10 g).

Specs for the metal gearmotors running at 6 

gearmotor
gear ratio
free-run RPM
free-run current
stall current
    stall torque*
(oz-in / kg-cm)
      weight
(oz / g)
5:1 Micro
5:1
2500
50 mA
360 mA
1 / 0.1
0.35 / 10
10:1 Micro
10:1
1300
40 mA
360 mA
2 / 0.2
0.35 / 10
30:1 Micro
30:1
440
40 mA
360 mA
4 / 0.3
0.35 / 10
50:1 Micro
50:1
250
40 mA
360 mA
6 / 0.4
0.35 / 10
100:1 Micro
100:1
120
40 mA
360 mA
10 / 0.7
0.35 / 10
150:1 Micro
150:1
85
40 mA
360 mA
15 / 1.1
0.35 / 10
210:1 Micro
210:1
60
40 mA
360 mA
19 / 1.3
0.35 / 10
250:1 Micro
250:1
50
30 mA
360 mA
22 / 1.6
0.35 / 10
298:1 Micro
298:1
45
30 mA
360 mA
25 / 1.8
0.35 / 10
5:1 Micro HP
5:1
6000
120 mA
1600 mA
2 / 0.1
0.35 / 10
10:1 Micro HP
10:1
3000
120 mA
1600 mA
4 / 0.3
0.35 / 10
30:1 Micro HP
30:1
1000
120 mA
1600 mA
8 / 0.6
0.35 / 10
50:1 Micro HP
50:1
625
100 mA
1600 mA
15 / 1.0
0.35 / 10
100:1 Micro HP
100:1
320
80 mA
1600 mA
25 / 1.8
0.35 / 10
150:1 Micro HP
150:1
200
70 mA
1600 mA
45 / 3.2
0.35 / 10
210:1 Micro HP
210:1
140
70 mA
1600 mA
65 / 4.7
0.35 / 10
250:1 Micro HP
250:1
120
70 mA
1600 mA
75 / 5.4
0.35 / 10
298:1 Micro HP
298:1
100
70 mA
1600 mA
90 / 6.5
0.35 / 10

* The stall torque should only be considered a rough estimate.

WcN - UABot